砂浆专用筛-SZF直线振动筛一:
经济实用型:小产能高精度筛分设备;
SZF系列直线振动筛,适合小产能高精度的筛分,筛分精度高,可多种分级;防堵网设计,透筛率高;密封性好,与除尘设备配套除尘效果更佳;
SZF直线震动筛的原理:
SZF直线振动筛利用振动电机激振作为振动源,使物料在筛网上被抛起,同时向前作直线运动,物料从给料机均匀地进入筛分机的进料口,通过多层筛网产生数种规格的筛上物、筛下物、分别从各自的出口排出。具有耗能低、产量高、结构简单、易维修、全封闭结构,无粉尘溢散,自动排料,更适合于流水线作业。
SZF直线振动筛使用现场:
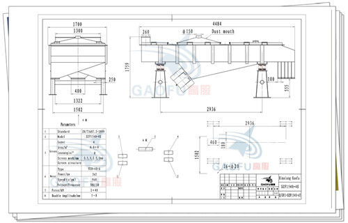
SZF直线参考外型尺寸:
SZF直线震动筛应用行业:
对粉状、颗粒状物料的筛选和分级,广泛应用于砂浆、石料、建材、磨料、塑料、化工、医药、粮食、炭素、化肥等行业的筛分和分级。
SZF直线震动筛客户签证:
SZF直线振动筛主要用于砌筑砂浆、抹面砂浆、保温砂浆、天然河沙,石英砂聚合物保温砂浆、粘结砂浆、抗裂砂浆、地坪砂浆、装饰砂浆、防水砂浆、腻子粉、粉刷石膏、弹性砂浆等等各种烘干后的粒度筛选和分级。合作厂家:长沙中联重工;三一重工;上海摩台克;天地重工,圆友机械等知名企业。
SZF直线震动筛在砂浆行业中常用型号及产能:
|
型号 |
常用网孔尺寸 |
大约处理量 |
电机型号 |
功率 |
|
SZF525型 |
3.5mm、4.5mm或5mm |
8t/h |
YZO10-6 |
2*0.75KW |
|
SZF1030型 |
3.5mm、4.5mm或5mm |
12t/h |
YZO25-6 |
2*1.8KW |
|
SZF1235型 |
3.5mm、4.5mm或5mm |
15t/h |
YZO30-6 |
2*2.2KW |
|
SZF1540型 |
3.5mm、4.5mm或5mm |
20t/h |
YZO40-6 |
2*3KW |
手机版|

















