称重传感器,称重仪表,称重模块,地磅接线盒,叉车秤,称重模块等机电产品, 公司电话:0519-88055537,联系人:李先生/13270386751;QQ:1779208340
凡在本公司购买的产品,因不合适,不配套,不好用,都可以退全款,立刻马上退。
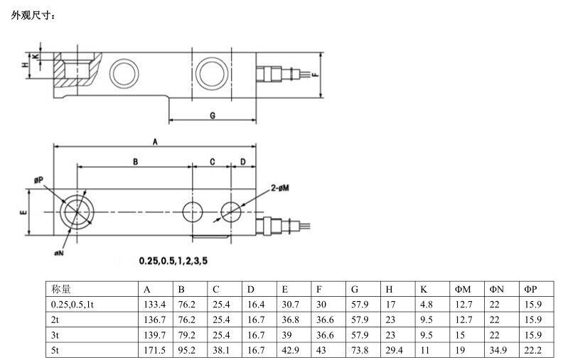
产品描述:
品牌: 托利多
宝贝详情:
托利多HLJ系列传感器,是梅特勒-托利多专门为三一重工及中联中科专门订制的用于搅拌站计量设备上的一种称重设备,主要用于料仓与仪表之间的连接从而组成称重系统。
托利多HLJ传感器
额定载荷:0.25-5t
工作温度范围:-30-+70°C
推荐激励电压 (V) 5~12(DC) 
连接线方式:
+EXC为正电压、+SEN 为正反馈—EXC 为负电压、-SEN为负反馈 +SIG为正信号、 —SIG为负信号、SHLD为屏蔽线。
注:请根据您使用的场所选购相应的地磅接线盒,如有不明白的问题可随时来电或在线咨询!
使用方法:
安装连接方式:悬臂梁安装方式 带线这段固定 其它的悬空 另一边上面称量。该产品用于新平台秤、地上衡、以及旧秤的维修,如还有不明白可与掌柜联系。
注:本传感器用途比较广泛,可根据实际需要制作小地磅、小工艺秤、小反应釜模块、料罐等。本公司可以根据客户实际需要配置仪表、接线盒、数据线,提供免费技术指导。
1、遥力对其所售产品实行终身、全方位服务
2、确保产品不间断运行。
3、持续保持高的测量精确度和延长产品寿命。
4、最大限度地减少用户的维修和保养成本及管理成本。
手机版|
















