常州遥力电子仪器销售中心,称重传感器,称重仪表,地磅接线盒,叉车秤,称重模块等机电产品, 公司电话:0519-88055537;免费电话:400 0519 602,联系人:李先生/13270386751,;QQ:1779208340
凡在本公司购买的产品,因不合适,不配套,不好用,都可以退全款,立刻马上退。
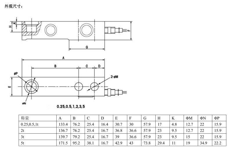
产品描述:
品牌: 托利多
宝贝详情:
托利多HLJ系列传感器,是梅特勒-托利多专门为三一重工及中联中科专门订制的用于搅拌站计量设备上的一种称重设备,主要用于料仓与仪表之间的连接从而组成称重系统。
合金钢材料,内部灌胶密封,防油、防水、耐腐蚀,可适用于各种环境。
◆单剪切梁结构设计,安装使用方便灵活。
◆适用于电子平台秤、料斗秤等各类电子称重设备。
◆安全防爆型产品,可用于恶劣环境及危险性场合。
◆量程:;0. 25T 0.5T,1T ,2T,3T~5T
◆高精度
◆合金钢材料
◆输出灵敏度 (mv/v) 2.0 ±0.002 3.0±0.003
托利多HLJ传感器
额定载荷:0.25-5t
工作温度范围:-30-+70°C
灵敏度:2.0±0.002mv/v
安全过载:150,120(40-50t)%F.S
综合误差:C2
输入阻抗 (Ω) 400±10
输出阻抗 (Ω) 352±3
绝缘阻抗 (MΩ) ≥ 5000(100VDC)
零点输出 (%FS) 1.5 1.0
温度补偿范围 (℃) -10~+40
允许使用温度范围 (℃) -35~+65
推荐激励电压 (V) 5~12(DC)
产品规格

连接线方式:+EXC为正电压、+SEN 为正反馈—EXC 为负电压、-SEN为负反馈 +SIG为正信号、—SIG为负信号、SHLD为屏蔽线。
注:请根据您使用的场所选购相应的地磅接线盒,如有不明白的问题可随时来电或在线咨询!
使用方法:
安装连接方式:悬臂梁安装方式 带线这段固定 其它的悬空 另一边上面称量。该产品用于新平台秤、地上衡、以及旧秤的维修,如还有不明白可与掌柜联系。
注:本传感器用途比较广泛,可根据实际需要制作小地磅、小工艺秤、小反应釜模块、料罐等。本公司可以根据客户实际需要配置仪表、接线盒、数据线,提供免费技术指导。
1、遥力对其所售产品实行终身、全方位服务
2、确保产品不间断运行。
3、持续保持高的测量精确度和延长产品寿命。
4、最大限度地减少用户的维修和保养成本及管理成本。
买家须知
付款方式
本企业支持支付宝担保交易,银行转账及汇款交易,所有产品均可开17%增值税发票。
承蒙您惠购遥力电子设备有限公司系列产品,我在此向您致以真挚的谢意!为保护您的合法权益 ,免除您后顾之忧,向您做出下述保修服务承诺,并向您提供以下的服务:
接线方式:
拍前联系客顾,请购买前主动与我们取得联系,可以直接联系在线客服,确认您需购买的商品和型号, 电话:0519-88055537,或手机13270386751(李经理),因公司实体业务繁忙等原因而回复稍慢,请各位买家谅解。
售后服务
1、公司严格按国家标准、合同及技术规范要求选择最佳方案,并全面对过程质量进行跟踪,监控人、检验、确保产品质量;
2、建立用户服务技术档案,以备售后跟踪服务;
3、本公司产品,自购买之日起1年内,公司为您提供免费上门服务,保修期后,仍将提供终生维修,全 国联保。
4、凡公司售出的产品均向用户提供产品使用说明书、产品合格证书、装箱单及相关技术资料。
手机版|
















