YZUL振动电机型号有:YZUL-3-4振动电机YZUL-5-4振动电机YZUL-8-4振动电机YZUL-10-4振动电机YZUL-15-4振动电机YZUL-30-4振动电机YZUL-50-4振动电机等,欢迎来电咨询
立式振动电机产品广泛配套应用于振动光饰机、振动破碎机、旋振清理机、振动烘干机、振动混料机等设备,特别是大量配套于旋振筛(圆形震动筛)产品,用以提高筛分效率和筛分精度,**完成清理异型零部件表面质量,提高破碎或混料效果。在设计上精益求精,机械机构**,耐振性能好,重量轻,体积小,激振力大且非常容易进行调节,采用单法兰结构使得立式振动电机安装维护方便,提高主机对物料的处理能力。
YZUL立式振动电机实物图:

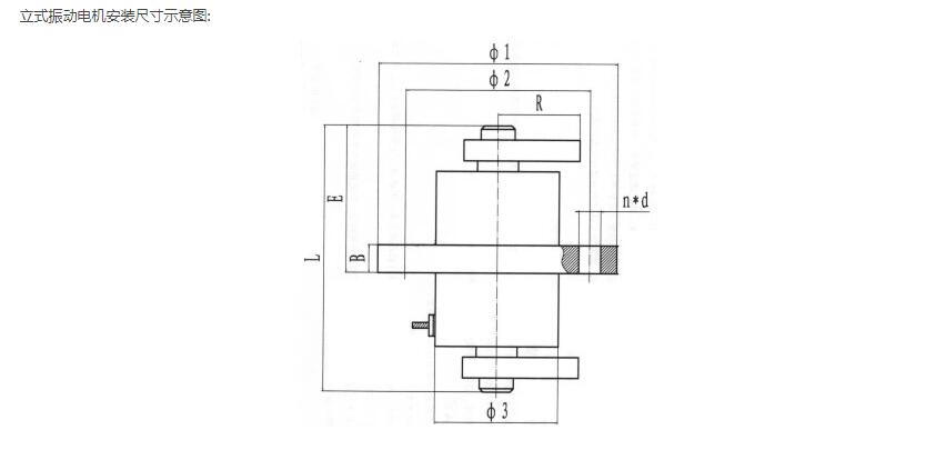
YZUL立式振动电机安装尺寸示意图:

YZUL-3-4振动电机技术参数:
手机版|















