料罐称重模块是将容器的受力导向称重传感器的一种机械悬浮系统。SB静载称重模块可以非常方便地安装在各种形状的容器上,在安装了这种完全独立的称重模块的容器中可以很方便地进行装填料、配料甚至搅拌。
料罐称重模块特点:
1、独特的顶板
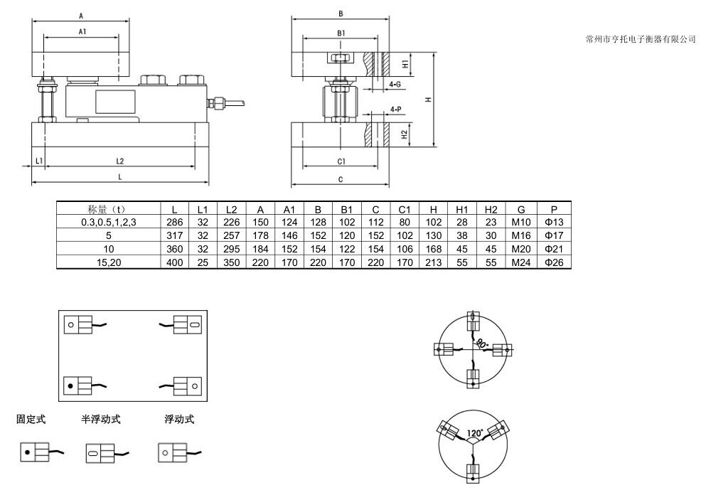
2、浮动、半浮动和固定式的顶板设计可使系统在容器出现形变时仍保持精确的计量。
3、支撑螺栓
4、能防止容器的倾覆,并为传感器的更换和维修提供方便。
5、盲孔设计
6、使所有垂直重力都作用在传感器的特定点上
7、传感器承压头采用经热处理的合金不锈钢制造,保证了传感器的高精度和耐久性。
传感 器: SB
额定容量: 0.5,1,2,3,5,10,15,20t
灵敏 度: 2±0.002MV/V
安全过载: 150%R.C.
极限过载: 300%R.C.
防护等级: IP67
电缆长度: 4 5 6 9.5m
常州市亨托电子衡器有限公司专业生产各种规格型号的称重模块,广泛应用于料罐,反应釜等称重设备上。
为您提供优质的产品!优惠的价格!优良的服务!
常州亨托电子竭诚为您服务!咨询电话:0519-89619969,18912325769
手机版|


















