本样本列出了KPM公司在工业上使用的行星减速机系列,这里集合了紧凑、高性能优点的模块化设计的全系列减速机。多年来的商业成功证实了产品的优良性、可靠性、简易安装和维护。
  KPM的工业用行星减速机的机型保证了各种工况的适宜运行和低噪音。
  主要特点
  —不断增大的机型,额定扭矩从900Nm到60000Nm。
  —直线型直到4级传动,速比从1:3到1:3000。
  —直角型直到4级传动,速此从1:10到1:3000。
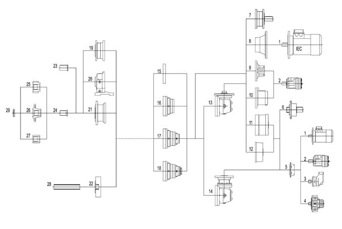
  —输出型式:内孔输出的带法兰减速器.带锁紧盘的轴安装减速器或直接联轴。实心轴的带法兰减速器,地脚安装等。
  —输入型式:高速输入轴,电动,液压马达的接盘;多碟制动器等。
  —多种输入、输出选择和标准附件。
 
 手机版|
 手机版|
 
  点击下图片即可查看大图
点击下图片即可查看大图












